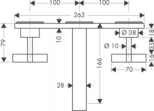
Купить смеситель для раковины axor citterio на 3 отверстия скрытого монтажа с изливом 166 мм с крестообразными рукоятками с панелью арт. 39314000

Характеристики
Страна
Германия
Бренд
Axor
Коллекция
Citterio
Управление
Двухвентильный
Технические данные
Тип монтажа
Скрытый
Применение
Для раковины
Цвет
Хром
Поверхность
Глянцевая
Стиль
Современный
Регулируемое ограничение температуры
Да
Тип струи
Обычная
Механизм
Керамический картридж
Отзывы

Помощь
+7 906 184 7532
Отдел продаж
+7 862 279 2048
Если у вас возникли вопросы при оформлении заказа, обратитесь по указанным контактам.










