Купить смеситель для раковины axor uno 260, с рукояткой zero с незапираемым сливным набором, шлифованное золото арт. 45004250

Характеристики
Страна
Германия
Бренд
Axor
Коллекция
Uno
Управление
Однорычажное
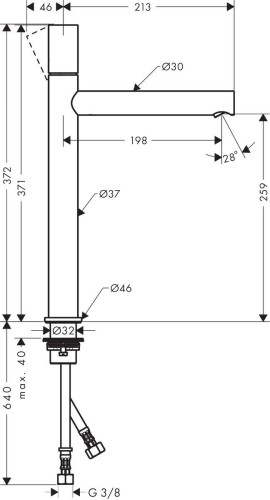
Технические данные
Тип монтажа
На 1 отверстие
Применение
Для раковины
Форма
Круглая
Стиль
Современный
Подходит для проточных водонагревателей
Да
Регулируемое ограничение температуры
Нет
Кнопка Select
Нет
Поворотный излив
Нет
Тип струи
Ламинарная
Механизм
Керамический картридж
Отзывы

Помощь
+7 906 184 7532
Отдел продаж
+7 862 279 2048
Если у вас возникли вопросы при оформлении заказа, обратитесь по указанным контактам.










